宏秀电气有限公司
首页
关于宏秀
公司简介
企业文化
董事长致辞
企业荣誉
产品资质
组织机构
新闻资讯
企业新闻
行业动态
产品中心
安全预警管理云平台
物联网智能断路器
物联网计量控制
燃气安全测控系列
智能传感设备
智能电网自动化设备
智能高压开关柜系列
智能电网预付费装置
真空断路器系列
负荷开关系列
防爆产品系列
直流接触器
解决方案
解决方案
应用领域
视频中心
技术支持
电气知识
服务承诺
下载中心
联系我们
联系方式
首页
关于宏秀
公司简介
企业文化
董事长致辞
企业荣誉
产品资质
组织机构
新闻资讯
企业新闻
行业动态
产品中心
安全预警管理云平台
物联网智能断路器
物联网计量控制
燃气安全测控系列
智能传感设备
智能电网自动化设备
智能高压开关柜系列
智能电网预付费装置
真空断路器系列
负荷开关系列
防爆产品系列
直流接触器
解决方案
解决方案
应用领域
视频中心
技术支持
电气知识
服务承诺
下载中心
联系我们
联系方式
首页
产品中心
防爆产品系列
高低压成套
产品展示
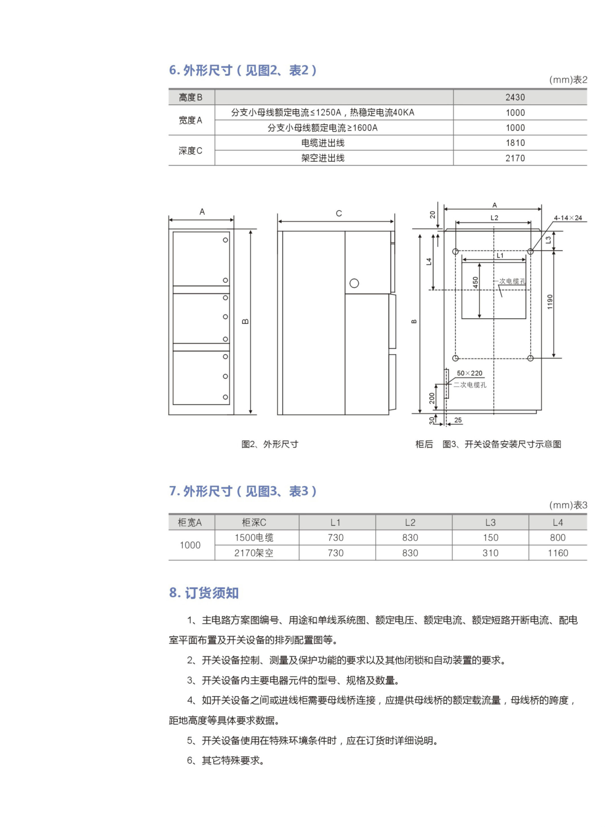
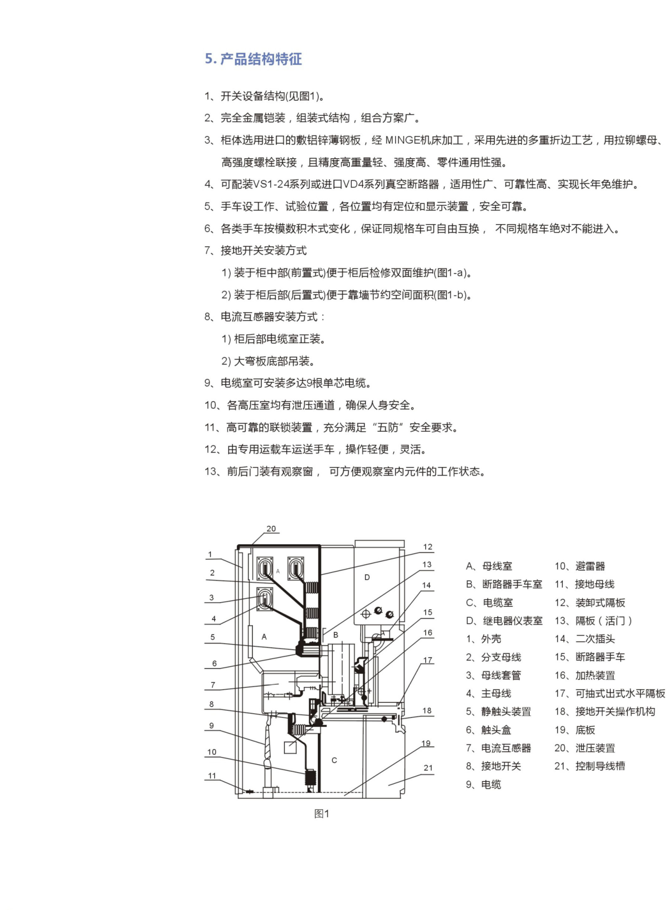
KYN28A-24(Z)铠装中置式交流金属封闭开关设备
如果您有任何问题可以联系我们!
联系我们
产品选型
安全预警管理云平台
物联网智能断路器
物联网计量控制
燃气安全测控系列
智能传感设备
智能电网自动化设备
智能高压开关柜系列
智能电网预付费装置
真空断路器系列
负荷开关系列
防爆产品系列
电器篇
风机篇
全塑篇
管道&仪表篇
三防篇
灯具篇
高低压成套
直流接触器
相关产品
BXK系列防爆控制箱(ⅡB、ⅡC)
BAY51(T8)系列隔爆型防爆荧光灯(ⅡB)
HGTXGN口-12固体绝缘全封闭环网柜
BZM-10(SW-10)系列防爆照明开关(ⅡB、Ⅱc)
图文详情
点击隐藏
在线客服1
电话
0577-62797772
微信